Normativa sistemas de ventilación
Con el objetivo de consumir lo menos posible en cuestiones de energía, y al mismo tiempo conseguir un bienestar óptimo en el interior de los edificios, aparece en escena el sistema de ventilación de doble flujo, consiguiendo de una forma simple y sencilla estos objetivos.
Este sistema nos permite alcanzar un gran ahorro en la factura de la luz por su excepcional funcionamiento, ahorrando gran parte de la energía. Su eficacia hace que cumpla con las normativas energéticas correspondientes, las cuales exigen año tras año retos relacionados con las emisiones de CO2, para intentar evitar o frenar el cambio climático.
Gracias al diseño de este sistema, se puede ahorrar gran parte de la energía en verano e invierno. A continuación, exponemos el funcionamiento de estos sistemas ventilación, y la forma de sacarles el máximo rendimiento a la hora de su instalación, pudiendo encontrarnos con problemas de acústica.
Código Técnico de la Edificación (CTE)
El Código Técnico de la Edificación es el marco normativo que especifica y recoge los requisitos de seguridad y habitabilidad que deben reunir los edificios según lo establecido en la Ley 38/1999 de 5 de noviembre, de Ordenación de la Edificación (LOE).
Además de ser responsable del establecimiento de estas reglas básicas de seguridad y habitabilidad como son el ahorro energético, la salubridad o la seguridad estructural y contra incendios, el CTE también se ocupa de salvaguardar la accesibilidad universal y la no discriminación en el acceso a los edificios. Estas responsabilidades son asumidas con el objetivos de perseguir una constante mejora en la sostenibilidad de los edificios y en su calidad de cara a los usuarios.

El rol que asume esta organización en el desarrollo urbano es meramente prescriptivo, ya que si bien se definen los requisitos con los que deben contar los edificios no define de manera estricta cómo se deben alcanzar estos objetivos de seguridad y habitabilidad. Este matiz es el que favorece la innovación en la ingeniería y arquitectura, dado que diseñadores y constructores tienen la posibilidad de enfrentarse a la edificación en un marco que establece una líneas de tránsito pero no define cómo se debe producir ese desarrollo.
La tecnología y la investigación son piezas claves en el establecimiento de las nuevas formas de construir, sin perder de vista el know how tradicional y facilitando la mejora progresiva y continua de las estructuras. Empresas como Siber aprovechan este marco regulador para apoyarse sobre los principios básicos de la construcción y plantear soluciones innovadoras y sostenibles, consiguiendo una mejora en la calidad del aire de los inquilinos y en la eficiencia energética de los edificios.
El CTE desarrolla su normativa a través de una serie de Documentos Básicos (DB), que recogen las características principales que deben reunir los edificios en materia de seguridad contra incendios, ahorro energético o salubridad. Los sistemas de ventilación son un elemento fundamental en la construcción y rehabilitación de las viviendas, y Siber siempre ha tratado de adaptar su desarrollo a la normativa vigente de la manera más eficiente e innovativa. Estos son los Documentos Básicos más destacados para los sistemas y redes de ventilación.
Documento básico HS3 – Habitabilidad y Salubridad – Calidad del aire interior
Generalidades
Ámbito de aplicación
Esta sección se aplica, en los edificios de viviendas, al interior de las mismas, los almacenes de residuos, los trasteros, los aparcamientos y garajes; y, en los edificios de cualquier otro uso, a los aparcamientos y los garajes. Se considera que forman parte de los aparcamientos y garajes las zonas de circulación de los vehículos.
Para locales de cualquier otro tipo se considera que se cumplen las exigencias básicas si se observan las condiciones establecidas en el RITE.
Procedimiento de verificación
Para la aplicación de esta sección debe seguirse la secuencia de verificaciones que se expone a continuación.
- Cumplimiento de las condiciones establecidas para los caudales del apartado 2.
- Cumplimiento de las condiciones de diseño del sistema de ventilación del apartado 3:
- Para cada tipo de local, el tipo de ventilación y las condiciones relativas a los medios de ventilación, ya sea natural, mecánica o híbrida;
- Las condiciones relativas a los elementos constructivos siguientes:
- aberturas y bocas de ventilación;
- conductos de admisión;
- conductos de extracción para ventilación híbrida;
- conductos de extracción para ventilación mecánica;
- aspiradores híbridos, aspiradores mecánicos y extractores;
- ventanas y puertas exteriores.
- Cumplimiento de las condiciones de dimensionado del apartado 4 relativas a los elementos constructivos.
- Cumplimiento de las condiciones de los productos de construcción del apartado 5.
- Cumplimiento de las condiciones de construcción del apartado 6.
- Cumplimiento de las condiciones de mantenimiento y conservación del apartado 7.
Caracterización y cuantificación de las exigencias
En los locales habitables de las viviendas debe aportarse un caudal de aire exterior suficiente para conseguir que en cada local la concentración media anual de CO2 sea menor que 900 ppm y que el acumulado anual de CO2 que exceda 1.600 ppm sea menor que 500.000 ppm·h, en ambos casos con las condiciones de diseño del apéndice C.
Además, el caudal de aire exterior aportado debe ser suficiente para eliminar los contaminantes no directamente relacionados con la presencia humana. Esta condición se considera satisfecha con el establecimiento de un caudal mínimo de 1,5 l/s por local habitable en los periodos de no ocupación.
Las dos condiciones anteriores se consideran satisfechas con el establecimiento de una ventilación de caudal constante acorde con la tabla 2.1.
Tabla 2.1. Caudales mínimos para ventilación de caudal constante en locales habitables
En la zona de cocción de las cocinas debe disponerse un sistema que permita extraer los contaminantes que se producen durante su uso, de forma independiente a la ventilación general de los locales habitables. Esta condición se considera satisfecha si se dispone de un sistema en la zona de cocción que permita extraer un caudal mínimo de 50 l/s.
Para los locales no habitables incluidos en el ámbito de aplicación debe aportarse al menos el caudal de aire exterior suficiente para eliminar los contaminantes propios del uso de cada local. En el caso de trasteros, sus zonas comunes y almacenes de residuos los contaminantes principales son la humedad, los olores y los compuestos orgánicos volátiles. En el caso de los aparcamientos y garajes son el monóxido de carbono y los óxidos de nitrógeno.
Esta condición se considera satisfecha si el sistema de ventilación es capaz de establecer al menos los caudales de ventilación de la tabla 2.2., ya sea mediante ventilación de caudal constante o ventilación de caudal variable controlada mediante detectores de presencia, detectores de contaminantes, programación temporal u otro tipo de sistema.
Tabla 2.2. Caudales de ventilación mínimos en locales no habitables.

Diseño
Condiciones generales de los sistemas de ventilación
Viviendas
Las viviendas deben disponer de un sistema general de ventilación que puede ser híbrida o mecánica con las siguientes características (véanse los ejemplos de la figura 3.1):
El aire debe circular desde los locales secos a los húmedos, para ello los comedores, los dormitorios y las salas de estar deben disponer de aberturas de admisión; los aseos, las cocinas y los cuartos de baño deben disponer de aberturas de extracción; las particiones situadas entre los locales con admisión y los locales con extracción deben disponer de aberturas de paso.
Los locales con varios usos de los del punto anterior, deben disponer en cada zona destinada a un uso diferente de las aberturas correspondientes.
Como aberturas de admisión, se dispondrán aberturas dotadas de aireadores o aperturas fijas de la carpintería, como son los dispositivos de microventilación con una permeabilidad al aire según UNE EN 12207:2000 en la posición de apertura de clase 1 o superior; no obstante, cuando las carpinterías exteriores sean de clase 1 de permeabilidad al aire según UNE EN 12207:2000 pueden considerarse como aberturas de admisión las juntas de apertura.
Cuando la ventilación sea híbrida las aberturas de admisión deben comunicar directamente con el exterior. Los aireadores deben disponerse a una distancia del suelo mayor que 1,80 m.
Cuando algún local con extracción esté compartimentado, deben disponerse aberturas de paso entre los compartimentos; la abertura de extracción debe disponerse en el compartimento más contaminado que, en el caso de aseos y cuartos de baños, es aquel en el que está situado el inodoro, y en el caso de cocinas es aquel en el que está situada la zona de cocción; la abertura de paso que conecta con el resto de la vivienda debe estar situada en el local menos contaminado.
Las aberturas de extracción deben conectarse a conductos de extracción y deben disponerse a una distancia del techo menor que 200 mm y a una distancia de cualquier rincón o esquina vertical mayor que 100 mm.
Un mismo conducto de extracción puede ser compartido por aseos, baños, cocinas y trasteros.
Figura 3.1 Ejemplos de ventilación en el interior de las viviendas

Las cocinas, comedores, dormitorios y salas de estar deben disponer de un sistema complementario de ventilación natural. Para ello debe disponerse una ventana exterior practicable o una puerta exterior.
Las cocinas deben disponer de un sistema adicional específico de ventilación con extracción mecánica para los vapores y los contaminantes de la cocción. Para ello debe disponerse un extractor conectado a un conducto de extracción independiente de los de la ventilación general de la vivienda que no puede utilizarse para la extracción de aire de locales de otro uso. Cuando este conducto sea compartido por varios extractores, cada uno de éstos debe estar dotado de una válvula automática que mantenga abierta su conexión con el conducto sólo cuando esté funcionando o de cualquier otro sistema antirrevoco.
Almacenes de residuos
En los almacenes de residuos debe disponerse un sistema de ventilación que puede ser natural, híbrida o mecánica.
Medios de ventilación natural
Cuando el almacén se ventile a través de aberturas mixtas, éstas deben disponerse al menos en dos partes opuestas del cerramiento, de tal forma que ningún punto de la zona diste más de 15 m de la abertura más próxima.
Cuando los almacenes se ventilen a través de aberturas de admisión y extracción, éstas deben comunicar directamente con el exterior y la separación vertical entre ellas debe ser como mínimo 1,5 m.
Medios de ventilación híbrida y mecánica
Para ventilación híbrida, las aberturas de admisión deben comunicar directamente con el exterior.
Cuando el almacén esté compartimentado, la abertura de extracción debe disponerse en el compartimento más contaminado, la de admisión en el otro u otros y deben disponerse aberturas de paso entre los compartimentos.
Las aberturas de extracción deben conectarse a conductos de extracción.
Los conductos de extracción no pueden compartirse con locales de otro uso.
Trasteros
En los trasteros y en sus zonas comunes debe disponerse un sistema de ventilación que puede ser natural, híbrida o mecánica(véanse los ejemplos de la figura 3.2).
Figura 3.2 Ejemplos de tipos de ventilación en trasteros

- Ventilación independiente y natural de trasteros y zonas comunes.
- Ventilación independiente de trasteros y zonas comunes. Ventilación natural en trasteros e híbrida o mecánica en zonas comunes.
- Ventilación dependiente y natural de trasteros y zonas comunes.
- Ventilación dependiente de trasteros y zonas comunes. Ventilación natural en trasteros y híbrida o mecánica en zonas comunes.
- Ventilación dependiente e híbrida o mecánica de trasteros y zonas comunes.
- Ventilación dependiente y natural de trasteros y zonas comunes.
Medios de ventilación natural
Deben disponerse aberturas mixtas en la zona común al menos en dos partes opuestas del cerramiento, de tal forma que ningún punto de la zona diste más de 15 m de la abertura más próxima.Cuando los trasteros se ventilen a través de la zona común, la partición situada entre cada trastero y esta zona debe disponer al menos de dos aberturas de paso separadas verticalmente 1,5 m como mínimo.
Condiciones particulares de los elementos
Aberturas y bocas de ventilación
En ausencia de norma urbanística que regule sus dimensiones, los espacios exteriores y los patios con los que comuniquen directamente los locales mediante aberturas de admisión, aberturas mixtas o bocas de toma deben permitir que en su planta se pueda inscribir un círculo cuyo diámetro sea igual a un tercio de la altura del cerramiento más bajo de los que lo delimitan y no menor que 3 m.
Pueden utilizarse como abertura de paso un aireador o la holgura existente entre las hojas de las puertas y el suelo.
Las aberturas de ventilación en contacto con el exterior deben disponerse de tal forma que se evite la entrada de agua de lluvia o estar dotadas de elementos adecuados para el mismo fin.
Las bocas de expulsión deben situarse en la cubierta del edificio separadas 3 m como mínimo, de cualquier elemento de entrada de ventilación (boca de toma, abertura de admisión, puerta exterior y ventana) y de los espacios donde pueda haber personas de forma habitual, tales como terrazas, galerías, miradores, balcones, etc.
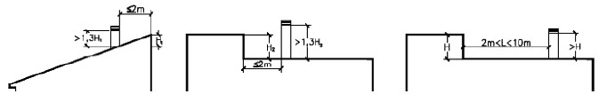
En el caso de ventilación híbrida, la boca de expulsión debe ubicarse en la cubierta del edificio a una altura sobre ella de 1 m como mínimo y debe superar las siguientes alturas en función de su emplazamiento (véanse los ejemplos de la figura 3.4):
La altura de cualquier obstáculo que esté a una distancia comprendida entre 2 y 10 m.
1,3 veces la altura de cualquier obstáculo que esté a una distancia menor o igual que 2 m.
2 m en cubiertas transitables.

Conductos de admisión
- Los conductos deben tener sección uniforme y carecer de obstáculos en todo su recorrido.
- Los conductos deben tener un acabado que dificulte su ensuciamiento y deben ser practicables para su registro y limpieza cada 10 m como máximo en todo su recorrido.
Conductos de extracción para ventilación híbrida
- Cada conducto de extracción debe disponer de un aspirador híbrido situado después de la última abertura de extracción en el sentido del flujo del aire.
- Los conductos deben ser verticales.
- Si los conductos son colectivos no deben servir a más de 6 plantas. Los conductos de las dos últimas plantas deben ser individuales. La conexión de las aberturas de extracción con los conductos colectivos debe hacerse a través de ramales verticales cada uno de los cuales debe desembocar en el conducto inmediatamente por debajo del ramal siguiente (véase el ejemplo de la figura 3.3).
- Los conductos deben tener sección uniforme y carecer de obstáculos en todo su recorrido.
- Los conductos que atraviesen elementos separadores de sectores de incendio deben cumplir las condiciones de resistencia a fuego del apartado 3 de la sección SI1.
- Los conductos deben tener un acabado que dificulte su ensuciamiento y deben ser practicables para su registro y limpieza en la coronación.
- Los conductos deben ser estancos al aire para su presión de dimensionado.
Conductos de extracción para ventilación mecánica
Cada conducto de extracción debe disponer de un aspirador mecánico situado, salvo en el caso de la ventilación específica de la cocina, después de la última abertura de extracción en el sentido del flujo del aire, pudiendo varios conductos compartir un mismo aspirador (véanse los ejemplos de la figura 3.4), excepto en el caso de los conductos de los garajes, cuando se exija más de una red.
Figura 3.4 Ejemplos de disposición de aspiradores mecánicos

Figura 3.5 Ejemplos de conductos para la ventilación específica adicional de las cocinas

- La sección de cada tramo del conducto comprendido entre dos puntos consecutivos con aporte o salida de aire debe seruniforme.
- Los conductos deben tener un acabado que dificulte su ensuciamiento y ser practicables para su registro y limpieza en la coronación.
- Cuando se prevea que en las paredes de los conductos pueda alcanzarse la temperatura de rocío éstos deben aislarse térmicamente de tal forma que se evite que se produzcan condensaciones.
- Los conductos que atraviesen elementos separadores de sectores de incendio deben cumplir las condiciones de resistencia a fuego del apartado 3 de la sección SI1.
- Los conductos deben ser estancos al aire para su presión de dimensionado.
- Cuando el conducto para la ventilación específica adicional de las cocinas sea colectivo, cada extractor debe conectarse al mismo mediante un ramal que debe desembocar en el conducto de extracción inmediatamente por debajo del ramal siguiente (véanse los ejemplos de la figura 3.5).
Aspiradores híbridos, aspiradores mecánicos y extractores
Los aspiradores mecánicos y los aspiradores híbridos deben disponerse en un lugar accesible para realizar su limpieza.
Previo a los extractores de las cocinas debe disponerse un filtro de grasas y aceites dotado de un dispositivo que indique cuando debe reemplazarse o limpiarse dicho filtro.
Debe disponerse un sistema automático que actúe de tal forma que todos los aspiradores híbridos y mecánicos de cada vivienda funcionen simultáneamente o adoptar cualquier otra solución que impida la inversión del desplazamiento del aire en todos los puntos.
Ventanas y puertas exteriores
Las ventanas y puertas exteriores que se dispongan para la ventilación natural complementaria deben estar en contacto con un espacio que tenga las mismas características que el exigido para las aberturas de admisión.